Random image

Misc pics

  • 101_0991

    • 101_0991
  • garagemahal

    • garagemahal
  • polebarn

    • polebarn
  • 101_0992

    • 101_0992
  • 101_0993

    • 101_0993
  • DOTlights

    • DOTlights
  • front turns

    • front turns
  • Sidestand

    • Sidestand
  • Sidestand1

    • Sidestand1
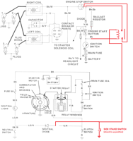
  • 1500sss

    • 1500sss
  • 1100spring

    • 1100spring
  • 78proj complete

    • 78proj complete